太阳能光伏发电系统从大类上可分为离网(独立)光伏发电系统和并网光伏发电系统两大类。
如图是离网光伏发电系统的工作原理示意图。太阳能光伏发电的核心部件是太阳电池组件,它将太阳光的光能直接转换成电能,并通过光伏控制器把电池组件产生的电能存储于蓄电池中。当负载用电时,蓄电池中的电能通过光伏控制器合理地分配到各个负载上。
电池组件所产生的电流为直流电,可以直接以直流电的形式应用,也可以用交流逆变器将其转换成为交流电,供交流负载使用。太阳能发电的电能可以即发即用,也可以用蓄电池等储能装置将电能存储起来,在需要时使用。九游体育官方网站
一般来说,在远离电网而又必需电力供应的地方以及如柴油发电等需要运输燃料、发电成本较高的场合,使用离网光伏发电系统比较经济、环保,可优先考虑。有些场合为了保证离网供电的稳定性、连续性和可靠性,往往还需要采用柴油发电机、风力发电机等与光伏发电系统构成风光柴互补的发电系统。
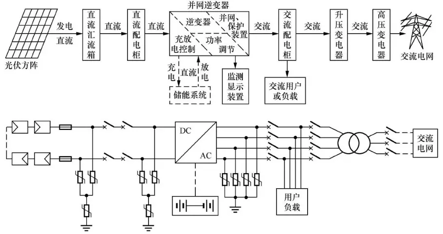
并网光伏发电系统由电池组件方阵将光能转变成电能,并经直流汇流箱和直流配电柜进入并网逆变器,有些类型的并网光伏发电系统还要配置储能系统储存电能。并网光伏逆变器由功率调节、交流逆变、并网保护切换等部分构成。经逆变器输出的交流电通过交流配电柜后供用户或负载使用,多余的电能可通过电力变压器等设备逆流馈入公共电网(可称为卖电)。
当并网光伏发电系统因气候原因发电不足或自身用电量偏大时,可由公共电网向用户负载补充供电(可称为买电)。系统还配备有监控、测试及显示系统,用于对整个系统工作状态的监控、检测及发电量等各种数据的统计,还可以利用计算机网络系统远程控制和显示数据。
并网光伏发电系统可以向公共电网逆流供电,其“昼发夜用”的发电特性正好可对公共电网实行峰谷调节,对加强供电的稳定性和可靠性十分有利。与离网光伏发电系统相比,可以不用储能蓄电设备(特殊场合除外),从而扩大了使用范围和灵活性,九游体育官方网站并使发电系统成本大大降低。
对于有储能系统的并网光伏发电系统,光伏逆变器中将含有充放电控制功能,负责调节、控制和保护储能系统正常工作。
科盛光伏是国内外知名光伏支架生产企业,光伏支架厂家全国排名前列!公司主营固定光伏支架和跟踪光伏支架两大业务模块,专注于太阳能光伏支架及其光伏配件的研发、生产和销售。
