随着全球对可再生能源的日益重视,光伏发电已成为推动能源转型的重要力量。特别是在应对气候变化、提升能源安全方面,光伏发电的潜力被广泛认同。然而,光伏电站的运营与维护面临许多挑战,如发电效率监测、故障诊断和数据管理等。因此,研发光伏监控系统显得尤为重要。
光伏发电系统是指无需通过热过程直接将光能转变为电能的发电系统。通常由光伏方阵、蓄电池组(蓄电池控制器)、逆变器、交流配电柜和太阳跟踪控制系统等设备组成。其特点是可靠性高、使用寿命长、不污染环境、能独立发电又能并网运行。
Q/GDW1480-2015 《分布式电源接入电网技术规定》:分布式电源并网电压等可根据各并网点装机容量进行初步选择,推荐如下:
终并网电压等应根据电网条件,通过技术经济比选论证确定。若高低两电压均具备接入条件,优先采用低电压等接入。
针对用户新能源接入后存在安全隐患、缺少有效监控、发电效率无法确保、收益计算困难、运行维护效率低等通点,提出的Acrel-1000DP分布式光伏监控系统平台,对整个用户电站监控,为用户实现降低能源使用成本、减轻变压器负载、余电上网,提高收益;节能减碳,符合国家政策。
针对用户新能源接入后存在安全隐患、缺少有效监控、发电效率无法确保、收益计算困难、运行维护效率低等通点,提出的Acrel-1000DP分布式光伏监控系统平台,对整个用户电站确保监控,为用户实现降低能源使用成本、减轻变压器负载、余电上网,提高收益;节能减碳,符合国家政策。
安科瑞电气的Acrel-1000DP分布式光伏监控系统,为分布式光伏电站设计,具备监控与管理功能。该系统能够实时采集光伏发电数据,包括电压、电流、功率等参数,通过数据分析,帮助用户优化发电效率。
根据《光伏发电站接入电力系统的技术规定》GB/T 19964的相关要求,光伏发电站应配置光伏发电功率预测系统,系统具有0h-240h中期光伏发电功率预测、0h-72h短期光伏发电功率预测以及15min-4h超短期光伏发电功率预测功能。
光伏发电功率预测系统通过采集数值天气预报数据、实时环境气象数据、光伏电站实时输出功率数据、光伏组件运行状态等信息,可按照电网调度技术要求,实现标准格式的中期功率预测、短期功率预测、超短期功率预测,以及光伏电站实时气象数据、装机容量、投运容量、值出力等信息的上报。同时,光伏电站的功率预测与主站之间应具备定时自动和手动启动传输功能。
1#光伏配电房对A#车间,1#车间,2#车间新建屋顶分布式光伏进行并网。
2#光伏配电房对新长诚3#车间,4#车间,6#车间,10#车间新建屋顶分布式光伏发电进行并网。
3#光伏配电房拟在新长诚5#车间,7#车间与7#车间扩建扩建部分,8#车间,9#车间,11#车间新建屋顶分布式光伏进行并网。
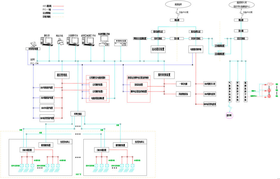
光伏监控系统按三层式(站控层、通信层、设备层)架构,通过通信管理机或协议转换器对光伏发电系统的各种设备(逆变器、防孤岛保护、故障解列装置、电能质量监测装置、直流屏等设备)信息进行存储和处理。将处理好的数据上传至SCADA系统和远动装置,远动装置经调度数据网(无线通信网)将数据上传至漳州供电公司配调,计量系统经用采终端直采直传至漳州供电公司配调主站用采系统光伏发电管理部门。
群调群控装置接收调度指令,按要求调整光伏场站的出力,将调度指令发电量分解到各个并网点,缓冲分布式光伏对主电网的冲击,同时利用分布式光伏协控装置调节逆变器的无功输出实现配电网的电压协调优化控制,缓解甚至是解决分布式光伏并网点电压过高等诸多风险九游官方入口
