防逆流保护装置是一种利用微机保护技术,来实现防逆流功能的装置。适用于400V的低压光伏并网系统中。当光伏发电量大于负载时,此时电网开关会有反方向的电流入电网,此时则需要逆功率保护装置。即光伏并网系统所发的电由本地负荷消耗,多余的电不允许通过低压配电变压器向上级电网逆向送电。防逆流保护装置又称为逆功率保护装置。随着储能行业的兴起,越来越多工商业储能、户用储能项目越来越多。大部分的储能电站是用于峰谷调节,储能电站的电不允许向电网送电。所以需要加装储能防逆流控制装置来监控逆流情况的发生,又叫储能并离网切换装置。防逆流保护装置适用于光伏并网”自发自用,余电不上网“的模式、光伏储能系统、充电桩系统中。
光伏逆流(反送电)可能对电网质量带来不利影响。太阳能发电系统产生的电能质量与电网上的交流电存在差异,比如电压波动范围、电流谐波等。如果没有合适的调节和过滤装置,将低质量的电能注入电网可能会引发电网电压波动、电流谐波等问题,对其他用户的用电设备产生干扰甚至损坏。光伏逆流主要有以下几点危害:
当光伏系统的发电功率大于本地负载的消耗功率时,多余的电功率可能会逆流回电网,导致光伏系统电压升高,影响光伏设备的寿命和性能。
逆流会导致电网电压升高,影响电网的稳定性和供电质量。同时,逆流也可能对电网中的其他设备造成损坏。
因此,在光伏储能系统中安装防逆流保护装置十分必要,可以有效地保护系统和设备的安全。同时,定期对光伏系统和防逆流保护装置进行检查和维护也非常重要,以确保其正常工作和有效性。
在光伏发电系统中安装防逆流控制箱,当检测到有电流逆流时,装置会自动切断电流,防止光伏逆流对电网的影响。
在建设光伏发电站时,考虑到电网的稳定性和供电质量,合理配置光伏发电设备和负载,避免产生过大的逆流。
在光伏发电系统中安装电表和通讯设备,实时监测电流和电压等参数,及时发现异常情况并采取相应的保护措施。
防逆流保护装置一般安装在光伏储能防逆流光伏并网箱处,可以采集该点的电压电流,当检测到有逆功率存在时,直接对光伏进线开关发出跳闸命令。防逆流控制箱是将防逆流控制器、多功能电力仪表、控制按钮、指示灯、小型断路器、浪涌保护器、接触器、熔断器、光伏隔离开关等电力元器件安装于一个箱体内,通过控制线路将这些电力设备进行连接,从而使光伏发电系统能够稳定的运行。光伏防逆流并网箱可以有效地防止光伏并网系统逆向发电,提高电网电能质量,保障电网的稳定运行。
通过检测产权分界点实时正向功率P(电网系统指向用户为正向),将P与控制功率定值Pset进行比较,其工作原理为:
●进入投入判据,若光伏已处于投入运行状态,则执行结束;若光伏未处于投入运行状态,则执行合上开关的操作。
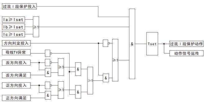
当任意一相电流大于过流Ⅰ段(速断)方向保护电流定值时,保护动作,从故障电流到启动到保护动作出口的时间不大于40ms(包括继电器固有动作时间),为了躲过路线避雷器的放电时间,过流Ⅰ段(速断)保护也设置了可以针对的延时时间。其原理图如下所示:
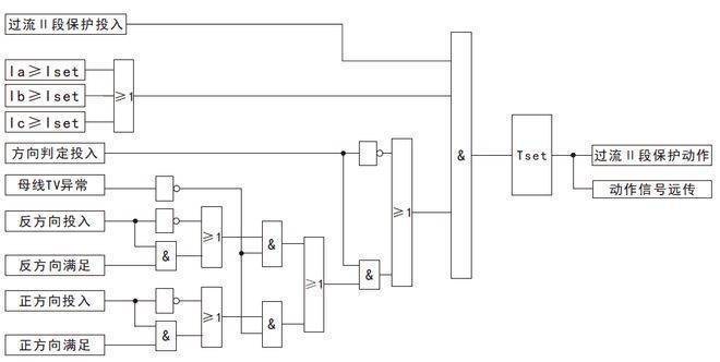
当任意一相电流大于过流Ⅱ段(限时电流速断)方向保护电流定值时,经可设定的延时时间,保护动作。其原理图如下所示:
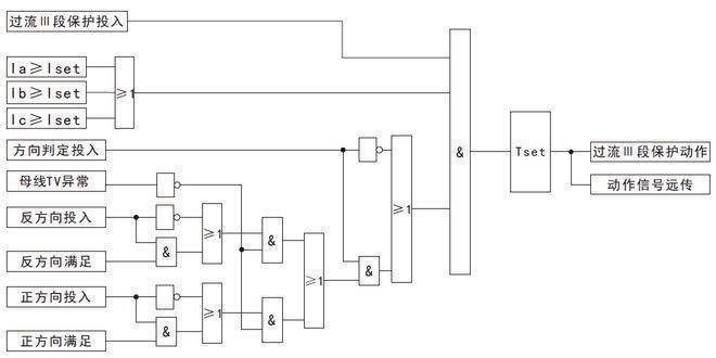
当任意一相电流大于过流Ⅲ段(定时限过流)方向保护电流定值时,经可设定的延时时间,保护动作。其原理图如下所示:
防逆流(逆功率)保护装置设有过负荷保护,保护可选择动作于跳闸或告警,过负荷保护投退可整定为:退出、投入。其原理图如下所示:
设有零序电流保护,保护可选择动作于跳闸或告警,投退控制可整定为:退出、投入,动作方式可整定为:告警、跳闸。其原理图如下所示:
设有过电压保护,当任意一相大于设定的电压保护定值Uset或断路器在合位或者任意一相电流值大于1A。其原理图如下所示:
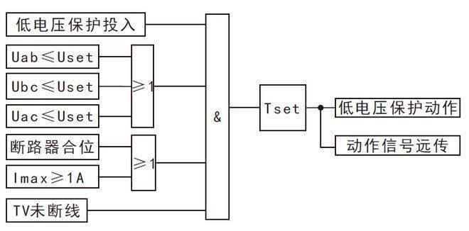
设有低电压保护,当任意一相小于设定的电压保护定值Uset或断路器在合位或者任意一相电流值大于1A。其原理图如下所示:
设有自动有压合闸功能,自动有压合闸功能应用于分布式发电模式,是指当进线开关处于跳位,检测到主电网电压恢复正常且分布式发电侧无压后,系统经合闸延时后自动合闸。所有保护动作后,自动有压合闸仍可动作一次,若动作一次后20S内保护再次动作,则长时间闭锁自动有压合闸,直到手合、遥合命令发出后再次开放自动有压合闸;若20S内保护没有动作(在合位),则开放自动有压合闸。防孤岛保护装置处于检修(检修开入有信号)时,闭锁自动合闸功能。其原理图如下所示:
