九游体育官方网站逆功率保护装置是一种针对光伏并网发电系统的保护装置,主要安装在光伏并网柜中。当分布式光伏是一种相对装机容量小的发电系统时,逆功率保护装置可以避免对电网造成不利影响。例如,当光伏发电量大于负载时,此时电网开关会有反方向的电流流入电网。为此逆功率保护装置会动作,当逆功率消失时,合上并网开关,以保证光伏发电系统的稳定运行。它的作用是检测并网点的功率,当反方向出现功率时,即出现逆功率,达到保护定值后,会跳开并网开关,以防止逆向电流流入电网。这种装置适用于自发自用、余电禁止并网的情况,实现了“自发自用,余电不上网”的功能。逆功率保护装置在光伏系统中起着保护电网和设备的作用,确保了光伏系统的稳定和安全运行。
1、采用了高性能处理器和高分辨率的A/D转换器,每周波32点采样,结合专用的测量CT,保证了遥测量的高精度。
4、设计有软硬件双看门狗功能,使整个系统同时具有较高的测量精度和抗干扰能力。
5、采用大屏幕液晶显示,跳闸报告,告警报告,遥信,遥测,定值整定等都在液晶上有明确的汉字标识。
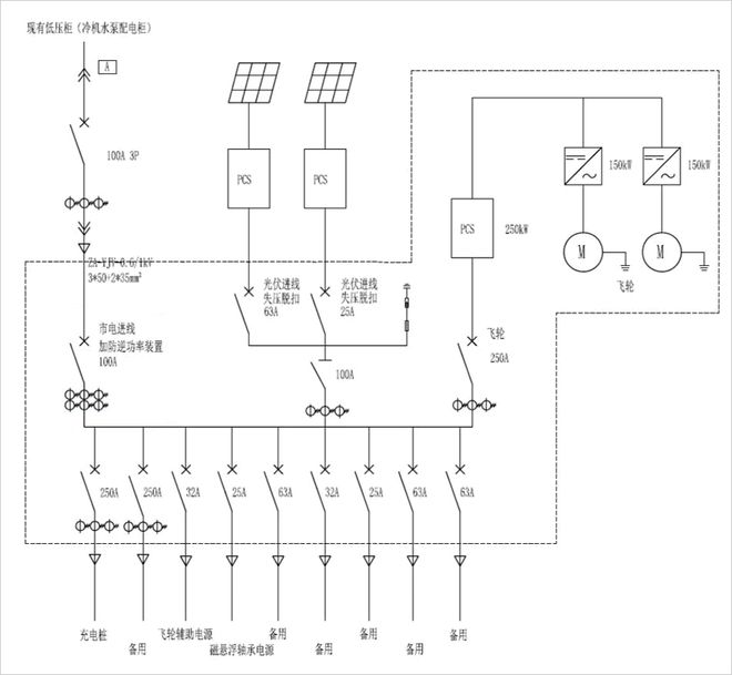
其工作原理是检测交流电网(AC400V,50Hz)供电回路的三相电压和电流,判断功率流向和功率大小。如果电网供电回路出现逆功率现象,当逆功率值大于逆功率定值时,按照各个出口延时时限的不同,逐级断开清洁电源并网系统中的8个模组,直到逆功率现象消失。其原理图如下所示:
光伏系统需要使用逆功率保护装置的原因是,当光伏发电量大于负载时,会有部分电流流向400V电网负荷,此时会出现逆功率现象。逆功率对光伏系统可能产生危害,包括设备损坏和系统稳定性受影响等。逆功率保护装置能够检测到这种逆功率现象并采取相应的保护措施,从而保护光伏系统的安全稳定运行。
▴键:向上键(修改数字时为+)▾键:向下键(修改数字时为-)◂键:光标向左移动▶键:光标向右移动ENT:确认键ESC:返回键注:面板上有5个指示灯,分别是以下几种运行:工作状况指示灯,装置正常运行时不停的闪烁,反之一直亮(绿)合位:断路器处于合位置时点亮(红)分位:断路器处于分位置时点亮(绿)故障:当装置所监视的系统有故障信号时点亮(红)告警:当装置所监视的系统有告警信号时点亮(红)
